
●电流益满范围;AC0-100A.DC0-100A;
●输出线要求:3m以内NH-BV2x1.0mm²;
●信号轴出方式:模抱量信号,两线输出:
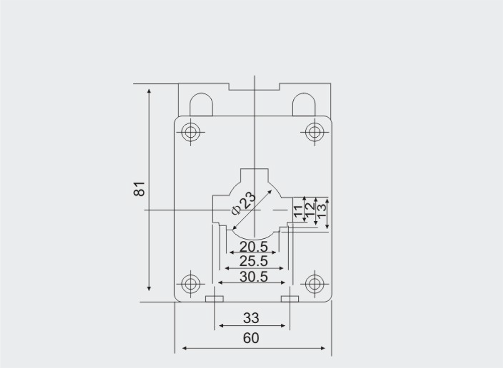
外形及安装尺寸
(mm)
型号规格:
|
名称 |
型号 |
规格 |
穿芯内径 |
参考电流 |
外形尺寸mm(长X宽X高) |
|
电流探头 |
ZG-TA |
100A |
Φ26 |
AC100A |
51×18×46 |
| ZG-TA |
400A |
Φ45 |
AC400A |
77×26×77 |
|
|
ZG-TA |
1000A |
Φ80 |
AC1000A |
118×26×118 |
|
|
ZG-TD |
100A |
Φ19 |
DC100A |
85×26×80 |
一、ZGFH系列防火门监控系统简介
ZGFH系列防火门监控器系统是依据国家标准GB29364-2012《防火门监控器》及相关国家标准严格设计和制造。此系统具有高智能、多功能、高可靠性、适应性广等特点。可广泛应用于建筑、军事、厂矿企业、航空航天、医药卫生、铁路运输等行业。系统采用集中供电方式。通过监控器给现场门磁开关、电动闭门器、电磁释放器提供DC24V安全电压,有效保证系统的稳定性、安全性。本系统已通过“国家消防电子产品质量监督检验中心”产品型式检验。
ZGFH系列消防门监控系统具有温电双控功能,系统主要由ZGFH消防门监控器、ZGFH-RE防火门监控区域分机、ZGMC防火门门磁开关、ZGBM防火门电动闭门器、ZGSF防火门电磁释放器、系统监控专用软件及系统总线等设备组成。
二、防火门监控系统设计的必要性
为了防止火灾在建筑物中蔓延扩大,需要采取必要的防火分隔措施,防火门和防火卷帘等防火分隔物能在一定时间内满足耐火稳定性、完整性和隔热性要求,把建筑物的空间分隔成若干个防火分区,使每个防火分区一旦发生火灾时,能够在一定的时间内不至于向外蔓延扩大。以此来有效地控制火势,为扑救火灾创造良好的条件。虽然防火门、防护卷帘在建筑工程消防设计中被广泛采用,但在消防实践中因设计不合理、选型不当、安装不规范,存在常开式防火门被常闭式代替,防火门被防护卷帘代替,特别是在一些高层建筑、大型公共聚集场所使用防火门时与场所的经营性质经常发生矛盾,以上诸多问题导致防火门不能有效的发挥作用。因此在新颁布的《火灾自动报警系统设计规范》
GB50116-2013中做出对防火门进行有效监控的规定。
各类防火门处于故障状态的火灾案例屡见不解,各地消防部门在日常的防火检查中发现各类防火门形同虚设的情况也比比皆是,无数经验和教训都证明,确保人员疏散并能给疏散人员创造足够多的选生时间,重要的必要条件之一就是防火门能否起到作用,而防火门监控系统就是保证防火门24小时实时处于正常状态的基础。
三、防火门监控系统设计依据
●中华人民共和国国家标准GB50116-2013《火灾自动报警系统设计规范》;
·中华人民共和国国家标准GB50016-2014《建筑设计防火规范》;
●中华人民共和国国家标准GB25506-2010《消防控制室通用技术要求》;
·中华人民共和国国家标准GB29364-2012《防火门监控器》;贯彻实施GB50116-2013《火灾自动报警系统设计规范》和GB29364-2012《防火门监控器》等国家标准。推广应用防火门监控系统,符合国发[2014146号《国务院关于加强和改进消防工作的意见》,以及公安部消防局“推进大城市制定更加严格的消防安全标准”,执行更加严格的消防安全标准的精神。它不仅为公安消防部门的执法监督和设计施工单位的实际应用提供了技术依据,更为率先实现有效降低防火门故障状态发生率,保障人员安全疏散和减少火灾损失起到积极作用。
四、防火门监控系统应用领域
●现代大体量建筑、公共集聚场所建筑和一类高层建筑;●电信楼、财贸金融楼、大型办公室、展览馆、高级酒店:·商场、体育馆、礼堂、影剧院、大型医院、学校;●地铁设施、火车站、汽车站、隧道、大型企业厂房等建筑;五、ZGFH系列防火门监控系统功能
自动检测:实时监测系统内部、区域分机、系统终端执行构件的(供电、通讯)开路、短路及连接状态。
智能控制:监控器收到常闭防火门非正常长时间打开时或收到系统线路出现开路、短路等故障信息时,自动发出声光报警信号;监控器收到火警联动信号时,防火门监控器控制常开防火门关闭;监控器收到火警联动信号时,可通过执行机构释放处于锁止状态的防火门;监控器可在供电系统断电时,自动切换至备用电源供电。
网络通信:防火门控制器与计算机进行连接后,可进行联动编程信息传递;防火门控制器与火灾报警控制器连接后可接收报警信号;防火门控制器可配置标准的RS232/RS485接口与外部系统进行标准通信。
记录查询:防火门控制器可记录最近发生的20万条事件信息,包括系统自身报警(通信连接等故障信息)火灾报警、联动信息、复位操作以及事件发生地址、日期、时间、用户可通过汉字液晶屏幕进行时间查询。
在线留言订购





